English
Español
Português
русский
Français
日本語
Deutsch
tiếng Việt
Italiano
Nederlands
ภาษาไทย
Polski
한국어
Svenska
magyar
Malay
বাংলা ভাষার
Dansk
Suomi
हिन्दी
Pilipino
Türkçe
Gaeilge
العربية
Indonesia
Norsk
تمل
český
ελληνικά
український
Javanese
فارسی
தமிழ்
తెలుగు
नेपाली
Burmese
български
ລາວ
Latine
Қазақша
Euskal
Azərbaycan
Slovenský jazyk
Македонски
Lietuvos
Eesti Keel
Română
Slovenski
मराठी
Srpski језик |
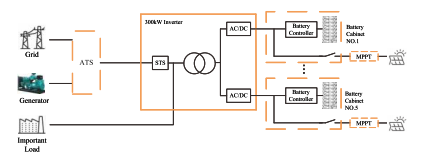
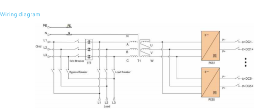
Özellik Sistem paralel konfigürasyonda modüler invertör ünitelerini kullanır; her invertör modülünün DC girişi özel bir akü kabinine karşılık gelir, küme başına yönetimin kümeler arasında dolaşan akımları ortadan kaldırmasını sağlar pil dizeleri. AC/DC güç modülleri hem miktar hem de esneklik açısından esnek dağıtımı destekler 5 üniteli paralelde maksimum 60kW modül kapasiteli güç değeri konfigürasyon. Güç modüllerinden gelen AC çıkışı bir transformatör aracılığıyla iletilir İzole edilmiş çıkış aşaması, yüke güçlü dirençle güç sağlar mevcut şok. Hibrit ESS, DC bağlantılı fotovoltaik entegrasyonu kullanarak yüksek enerji dönüşüm verimliliği ve PV ile şebekeden bağımsız senaryolar için optimize edilmiş yük talebini aşan üretim kapasitesi; Dış mekan dereceli MPPT kontrolörleri birleştirici ve MPPT işlevlerini tek bir güçlendirilmiş muhafazaya entegre edin. Sistemin tamamı bir dizel jeneratör ATS seçeneği ve 300 kW'lık bir hibrit içerir invertör, PV MPPT kontrolörü ve batarya enerji depolama sistemi.
Özellik Sistem paralel konfigürasyonda modüler invertör ünitelerini kullanır; her invertör modülünün DC girişi özel bir akü kabinine karşılık gelir, küme başına yönetimin kümeler arasında dolaşan akımları ortadan kaldırmasını sağlar pil dizeleri. AC/DC güç modülleri hem miktar hem de esneklik açısından esnek dağıtımı destekler 5 üniteli paralelde maksimum 60kW modül kapasiteli güç değeri konfigürasyon. Güç modüllerinden gelen AC çıkışı bir transformatör aracılığıyla iletilir İzole edilmiş çıkış aşaması, yüke güçlü dirençle güç sağlar mevcut şok. Hibrit ESS, DC bağlantılı fotovoltaik entegrasyonu kullanarak yüksek enerji dönüşüm verimliliği ve PV ile şebekeden bağımsız senaryolar için optimize edilmiş yük talebini aşan üretim kapasitesi; Dış mekan dereceli MPPT kontrolörleri birleştirici ve MPPT işlevlerini tek bir güçlendirilmiş muhafazaya entegre edin. Sistemin tamamı bir dizel jeneratör ATS seçeneği ve 300 kW'lık bir hibrit içerir invertör, PV MPPT kontrolörü ve batarya enerji depolama sistemi.
Özellikler |
|||||
| Modeller | P200TS-400-A | P250TS-400-A | P300TS-400-A | ||
|
DC Tarafı parametreleri |
Gerilim aralığı | 650-950Vdc | |||
| Modül başına giriş anahtarı | 250A | ||||
| DC kanal sayısı | 3 yollu | 4 yollu | 5 yollu | ||
|
AC Tarafı parametreleri (şebeke bağlantılı) |
Nominal çıkış gücü | 200kW | 250kW | 300kW | |
| Maksimum çıkış gücü | 220kW | 275kW | 330kW | ||
| Nominal çıkış akımı | 289A | 361A | 433A | ||
| THDi | <%3 | ||||
| Izgara türü | 3W+N+PE | ||||
| Gerilim aralığı | 360Vac~440Vac | ||||
| Frekans aralığı | 45~55Hz/55~65Hz | ||||
| Güç faktörü | -1~1 | ||||
|
Ada AC tarafı parametreleri |
Nominal çıkış gücü | 200kW | 250kW 300kW | ||
| Nominal çıkış voltajı | 400Vac | ||||
| Nominal çıkış frekansı | 50/60Hz | ||||
| THDu | <%1 doğrusal, <%5 doğrusal olmayan<%1 doğrusal, <%5 doğrusal olmayan | ||||
| Aşırı yük kapasitesi | 10 dakika boyunca %110 aşırı yük 10 dakika boyunca %110 aşırı yük | ||||
|
Izgara Adalama Transfer ve şalt |
Bakım bypass anahtarı | 400A | 630A | ||
| Izgara anahtarları | 630A | 800A | |||
| Yük anahtarları | 400A | 630A | |||
| STS birimi | 577A/400kW | 722A/500kW | |||
| Anahtarlama süresi | <20ms | ||||
|
Sistem parametreleri |
Zirve verimliliği | %97,5 | |||
| Çalışma sıcaklığı | -30~55°C -30~55°C (40°C'nin üzerinde değer kaybı) | ||||
| Bağıl nem | 0~95%RH,0~95%RH,Yoğuşmasız | ||||
| Boyutlar(L*D*H) | 1300×1050×2050mm | ||||
| Ağırlık | 1400kg | 1700kg 1800kg | |||
| IP derecesi | IP21 IP21(Tam set) | ||||
| Gürültü | <70dB | ||||
| Görüntü ekranı | LCD dokunmatik ekran | ||||
| BMS iletişimi | OLABİLMEK | ||||
| EMS iletişimi | TCP/IP | ||||